聚焦细节丨运用失效分析,找出生产问题症结所在
日期:2023-09-21 17:26:00 浏览量:2058 标签: 失效分析
引言
电子元器件失效是指其功能完全或部分丧失、参数漂移,或间歇性出现上述情况。电子元器件分析是对已失效元器件进行的一种事后检查。根据需要,使用电测试及必要的物理、金相和化学分析技术,验证所报告的失效,确认其失效模式,找出失效机理。
主要分析对象包括电阻器、电容器、电感器、连接器、MOS、继电器、二极管、三极管、可控硅等半导体分立器件,各种规模、各种封装形式的集成电路,射频、微波器件,电源模块、光电模块等各种元器件和???。
一、案例背景
客户上手有一批已出售的库存芯片,买方使用该批次芯片进行 生产作业时,PL-2出现断电、熄火、不亮或按键失效现象,而且不良率高达60%。为了找出问题,使用治具检测PCB板,发现部分需要断电4-6次才会出现该现象。
接着,买方将功能正常的PCB组件上的单片机拆下来调换到不良PCB组件上,PCB组件功能恢复正常。
不良PCB组件上拆下来的IC重新烧录程序仍然NG,猜测是单片机质量问题。
因此,买方退回了该批次产品,客户为了确认生产不良的原因是否是芯片本身问题造成的,委托我们协助分析不良原因。
二、分析过程
? 1.外观分析
对委托方提供的失效样品进行外观检测,确认其表面是否存在明显异常问题
测试结果 : 从不良样品的外观看,没有发现破损现象,也未发现单片机丝印重影、模糊等问题。

? 2.电特性测试
为了确认失效样品的失效模式,检验样品是否有开路、短路、阻抗等异常问题,进行了电特性检测
测试结果:电特性测试共测试了10pcs退回的不良品,其中发现有3片pin1 VDD对pin8 VSS短路

? 3.开盖检测
为了确认样品内部是否存在明显的异常,对样品进行了开盖检测
测试结果:开盖检测发现芯片内部晶圆有烧伤痕迹

三、综合分析
本检测案例通过外观检测、电特性测试以及开盖检测等检测后发现:
(1)不良品测量VDD对VSS之间阻抗短路
(2)开盖检测打线封装没有异常
(3)开盖晶圆表面有发现EOS损伤
?知识分享: EOS/ESD损伤原理
提到EOS/ESD损伤原理,就不得不提到人体放电模式的ESD和机器放电模式的ESD,我们要对这两个模式有个清晰的了解。
人体放电模式(HBM)的ESD是指因人体在地上走动磨擦或其他因素在人体上已累积了静电,当此人去碰触IC时,人体上的静电便会经由IC的引脚(PIN)而进入IC内,再经由IC放电到端(GROUND),如图下所示。

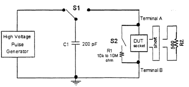
机器放电模式(MACHINE MODELMM)的ESD是指机器(例如机械手、测试夹具、手工具等)本身累积了静电,当此机器去碰触到IC时,该静电便经由IC的PIN放电。因为大多数机器都是用金属制造的,其机器放电模式的等效电阻为0Ω,而其等效电容定为200PF。由于机器放电模式的等效电阻为02,故其放电的过程更短,在几毫微秒到几十毫微秒之内会有数安培的瞬间放电电流产生。

当过大的电流通过IC内部电路,就容易导致 IC 内部电路损坏,影响 IC 整体功能。
一般 IC 电路设计时都会有 ESD ?;さ缏?,如果在上机前,机台 ESD 没有做好或者外围电路、软件升级、电路设计等都会造成EOS/ESD 瞬间产生电流导致芯片内部电路损坏。
四、结论与建议
? 1.结论
库存样品确认100片没有发现不良,产品符合原厂规格要求 。
? 2.建议
检查相关电路及设备是否有漏电或其它造成生产不良原因,确认客户相关测试人员防静电措施是否到位。